Connected Home - spínacia jednotka
Bezdrôtová reléová spínacia jednotka určená pre zariadenia Connected Home s komunikáciou ZigBee
Bezpečná platba za tovar
Rýchle a spoľahlivé doručenie
Odborný zákaznícky servis
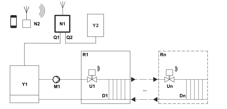
Connected Home - spínacia jednotka
Pre riadenie kotla alebo obehového čerpadla a riadenie prípravy teplej vody
● Spínacia jednotka - napájanie AC 230 V
● Komunikuje bezdrôtovo s ZigBee routerom v systéme Connected Home
● Dve výstupné relé s bez napäťovými kontaktmi pre ovládanie kotla alebo obehového
čerpadla a pre riadenie prípravy teplej vody
● LED indikátor prevádzkového stavu
● Možnosť ručného zopnutia výstupných relé
● Možnosť aktualizácie firmware bezdrôtovo v sieti ZigBee

Kód: Testo set vykurovanie
Značka: TESTO
Sada snímačov pre zobrazenie údajov v telefóne, alebo tablete.
Kód: RDD100.1RF
Značka: Siemens
Izbový prístroj bezdrôtový pre pripojenie k zónovému modulu RDE-MZ6.
Kód: RDQ
Značka: Siemens
Termostaty pre kúrenie alebo chladenie / fancoily, napájanie 230V
Kód: Kotelnik
Značka: Siemens
Sada poruchovej signalizácie s integrovaným displejom pre snímanie stavov v kotolni
Kód: WHE502
Značka: Siemens
2 - snímačový elektronický pomerový rozdeľovač vykurovacích nákladov
Kód: Testo905i
Značka: TESTO
Kanálový teplomer so zobrazením údajov v telefóne, alebo tablete.